Características
Terminales mecánicas para uso electrico, son elementos de transmision de energia electrica que funcionan con un tornillo que al ser apretado con una herramienta sujeta y comprime el cable obteniendo así una union electrica confiable y dispuesta a ser reusable.
Están fabricadas de 100% Aluminio con recubrimiento de Estaño, lo que permite un adecuado flujo de energía y una excelente resistencia a la corrosión.
Los usos más comunes se dan en equipos eléctricos y se recomienda para elementos de transmisión como son:
1. Motores
2. Transformadores
3. Interruptores
4. Arrancadores
5. Tableros de distribución
6. Control eléctrico
7. Puestas a tierra
8. Y en cualquier equipo eléctrico que acepte o entregue energía eléctrica.
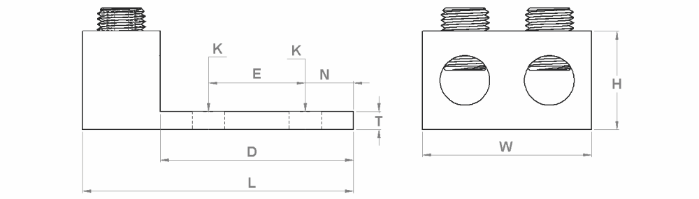
Dimensiones
| Catálogo DROF | Catálogo Burndy | AWG/kcmil Máximo | AWG/kcmil Mínimo | Barreno de montaje (K) (pulg) | D (pulg) | L (pulg) | N (pulg) | W (pulg) | E (pulg) | T (pulg) | H (pulg) |
|---|
| DTMA22-350_6 | K2A31U-2N | 350 | 6 | 1/2 | 3 | 4.5 | 0.63 | 2.31 | 1.75 | 0.31 | 1.38 |
| DTMA22-600_2 | K2A36U-2N | 600 | 2 | 1/2 | 3.22 | 4.69 | 0.63 | 2.41 | 1.75 | 0.44 | 1.56 |
| DTMA22-800_300 | K2A40U-2N | 800 | 300 | 1/2 | 3.03 | 4.75 | 0.63 | 3.19 | 1.75 | 0.5 | 1.94 |
| DTMA22-1000_500 | K2A44U-2N | 1000 | 500 | 1/2 | 3.03 | 4.75 | 0.63 | 3.19 | 1.75 | 0.5 | 1.94 |