Características
Terminales mecánicas para uso electrico, son elementos de transmision de energia electrica que funcionan con un tornillo que al ser apretado con una herramienta sujeta y comprime el cable obteniendo así una union electrica confiable y dispuesta a ser reusable.
Están fabricadas de 100% Aluminio con recubrimiento de Estaño, lo que permite un adecuado flujo de energía y una excelente resistencia a la corrosión.
Los usos más comunes se dan en equipos eléctricos y se recomienda para elementos de transmisión como son:
1. Motores
2. Transformadores
3. Interruptores
4. Arrancadores
5. Tableros de distribución
6. Control eléctrico
7. Puestas a tierra
8. Y en cualquier equipo eléctrico que acepte o entregue energía eléctrica.
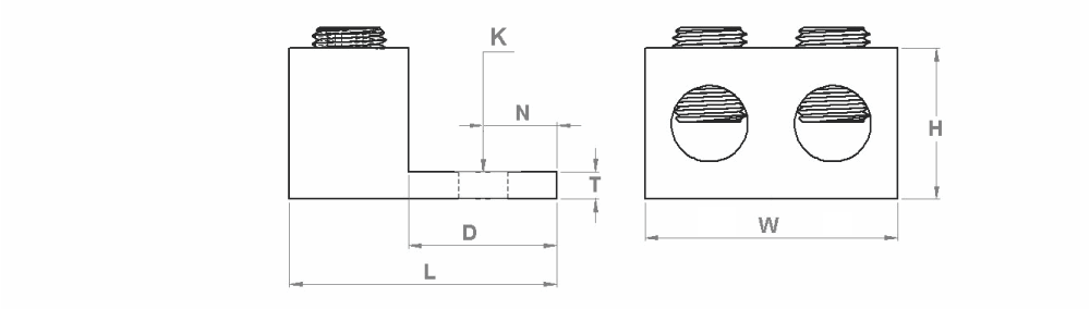
Dimensiones
| Catálogo DROF | Catálogo Burndy | AWG/kcmil Máximo | AWG/kcmil Mínimo | Barreno de montaje (K) (pulg) | D (pulg) | L (pulg) | N (pulg) | W (pulg) | T (pulg) | H (pulg) |
|---|
| DTMA21-1/0_14 | K2A25U | 1/0 | 14 | 1/4 | 0.81 | 1.47 | 0.44 | 1.13 | 0.19 | 0.79 |
| DTMA21-2/0_14 | K2A26U | 2/0 | 14 | 1/4 | 0.81 | 1.47 | 0.44 | 1.25 | 0.19 | 0.79 |
| DTMA21-250_6 | K2A29U | 250 | 6 | 3/8 | 1.5 | 2.56 | 0.5 | 1.66 | 0.25 | 1.2 |
| DTMA21-350_4 | K2A31U | 350 | 4 | 1/2 | 1.69 | 2.88 | 0.88 | 1.94 | 0.25 | 1.25 |
| DTMA21-600_2 | K2A36U | 600 | 2 | 1/2 | 1.75 | 3.2 | 0.63 | 2.41 | 0.44 | 1.58 |
| DTMA21-800_300 | K2A40U | 800 | 300 | 5/8 | 1.66 | 3.38 | 0.88 | 3.19 | 0.5 | 1.94 |
| DTMA21-1000_500 | K2A44U | 1000 | 500 | 5/8 | 1.66 | 3.5 | 0.88 | 3.52 | 0.5 | 1.94 |